蝶閥


氣動襯氟蝶閥
產品型號:D671F
公稱通徑:DN40~DN800
公稱壓力:1.0MPa~1.6MPa
連接方式:對夾式
材質:WCB、不銹鋼
適用溫度:-30~+150℃
適用介質:強酸、強堿、強氧化劑等
氣動執行器:雙作用、單作用
用途:用于可靠密封和良好調節特性的場合,可作快速切斷或調節流量之用
氣動襯氟蝶閥產品概述
軼博羅襯氟氣動蝶閥采用帶有球形密封表面的襯聚四氟乙烯包襯蝶板,襯氟氣動蝶閥操作輕便,嚴密的密封性能,超長的使用壽命;可作快速切斷或調節流量之用。襯氟氣動蝶閥適用于要求可靠密封和良好調節特性的場合。閥體采用分體式,閥軸兩端的密封由蝶板與閥座 之間的旋轉基面加氟橡膠來控制;保證閥軸不與腔內流體介質接觸。廣泛適用于各種不同類型工業管道中液體和氣體(包括蒸氣)的輸送,有嚴重腐蝕性介質的使用場合,如:硫酸、氫氟酸、磷酸、氯氣、強堿、王水等具有強腐蝕性的介質。
氣動襯氟蝶閥產品特征
1、設計新穎、合理、結構獨特,重量輕,啟閉迅速。
2、操力矩小,操作方便,省力靈巧。
3、可以任何位置安裝,維修方便。
4、密封件可以更換,密封性能可靠達到雙向密封零泄漏。
5、密封材料耐老化、耐腐蝕,使用壽命長等特點。
氣動襯氟蝶閥執行機構
襯氟氣動蝶閥采用新型系列GT型氣動執行器,有雙作用式和單作用式(彈簧復位),齒輪傳動,安全可靠;大口徑閥門采用系列AW型氣動執行器拔叉式傳動,結構合理,輸出扭矩大,有雙作用式和單作用式。
1、齒輪式雙活塞,輸出力矩大,體積小。
2、氣缸選用鋁金材料,重量輕、外形美觀。
3、可在頂部、底部安裝手動操作機構。
4、齒條式連接可調節開啟角度、額定流量。
5、執行器可選帶電訊號反饋指示及各類附件以實現自動化操作。
6、IS05211標準連接為產品的安裝更換提供了方便。
7、兩端調的節螺釘可使標準產品在0°和90°有±4°的可調范圍。確保與閥門的同步精度。
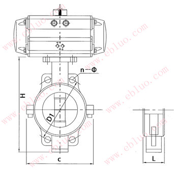
|
通徑(mm) |
英寸 |
尺寸(mm) |
|||||
|
L |
H |
C |
D1 |
n-Φ |
kg |
||
|
50 |
2 |
42 |
212 |
130 |
120 |
4-22 |
3.2 |
|
65 |
2 1/2 |
45 |
230 |
150 |
136.2 |
4-22 |
5.8 |
|
80 |
3 |
45.5 |
233 |
164 |
160 |
4-22 |
6.5 |
|
100 |
4 |
52 |
270 |
188 |
185 |
4-24 |
11 |
|
125 |
5 |
54 |
298 |
220 |
215 |
4-24 |
13 |
|
150 |
6 |
56 |
337 |
252 |
238 |
4-26 |
16 |
|
200 |
8 |
61 |
407 |
305 |
295 |
4-26 |
27 |
|
250 |
10 |
65.3 |
481 |
370 |
357 |
4-29 |
35 |
|
300 |
12 |
77 |
555 |
430 |
407 |
4-29 |
51 |
|
350 |
14 |
77 |
610 |
470 |
467 |
4-30 |
76 |
|
400 |
16 |
86.5 |
715 |
565 |
515 |
4-28 |
97 |
|
450 |
18 |
105.5 |
778 |
620 |
565 |
4-28 |
125 |
|
500 |
20 |
131.8 |
870 |
695 |
620 |
4-28 |
186 |
案例展示更多>>

0551-65579181
客戶案例
©2015-2019 合肥軼博羅工控設備有限公司 皖ICP備13007160號-2 技術支持:安徽睿成網絡
友情鏈接: 安徽工作服 油浴鍋生產廠家 冷凍濃縮儀 酒石酸氫鉀生產廠家 噴漆廠房廢氣處理設備 噴霧冷卻塔風機 彩色溫控儀 合肥情感咨詢 瑞士魚牌VALLORBE銼刀 鬼屋制作安裝 江蘇電動叉車